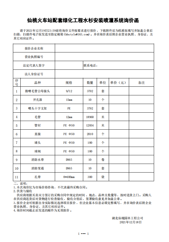
仙桃火车站配套绿化工程水杉安装喷灌系统询价函 2026-04-20 11:41:10 通知公告 火车站配套绿化工程水杉安装喷灌系统询价.xlsx 发表留言 取消回复您的邮箱地址不会被公开。留言内容姓名 * 邮箱 * 网站 在此浏览器中保存我的显示名称、邮箱地址和网站地址,以便下次评论时使用。